Diferencia entre revisiones de «2018/Grupo6/DimensionamientoTecnico»
(Subida de imagenes general) |
|||
| Línea 23: | Línea 23: | ||
[[Archivo:Parte_muñon_inf.jpg|centre|thumb|200x200px|Plano: MM0001A6 - muñon inferior]] | [[Archivo:Parte_muñon_inf.jpg|centre|thumb|200x200px|Plano: MM0001A6 - muñon inferior]] | ||
[[Archivo:Placa_de_electrodos.jpg|thumb|427x427px]] | [[Archivo:Placa_de_electrodos.jpg|thumb|427x427px]] | ||
[[Archivo:Placa_de_motores.jpg|left|thumb]] | [[Archivo:Placa_de_motores.jpg|left|thumb]]. | ||
. | |||
=== Listado de Materiales (BOM) === | === Listado de Materiales (BOM) === | ||
Revisión del 05:40 6 jul 2018
Determinación de la Localización
Matriz
Para la evaluación y determinación de la localización de la planta hemos utilizado la matriz de localización. En esta matriz comparamos tres posibles locaciones, comparando los factores que creemos son mas importantes para el funcionamiento y nos den una ventaja estratégica.
(Foto Matriz de Localización)

Con los resultados obtenidos concluimos que la mejor localización seria la del Partido de Ezeiza ya que es la que nos aporta mayores ventajas con respecto a las otras dos.

Definición Técnica del Producto
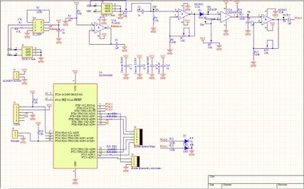
Planos











.
.
Listado de Materiales (BOM)

Especificaciones Técnicas
El sistema miolectrico consta de:
- Electrodos o sensores de superficie: colocados sobre la musculatura del paciente que captan la diferencia de potencial producida por la contracción muscular.
- Cables de conexion: unen los electrodos con los dispositivos de control.
- Dispositivo de control del sistema mioeléctrico: se basa en una plaqueta electrónica que traduce las señales captadas por los electrodos, amplifica, controla y comanda el accionamiento de los servo motores para el movimiento mecanico.
- Servomecanismo: activados por el impulso y que activa el sistema articular.
- Bateria Niquel-Cadmio: para general la energía eléctrica necesaria
Normas aplicables
UNE 11-99-90/1 adoptada de la iso 8549/1
Según la Norma UNE 11-909-90/1, adoptada de la ISO 8549/1 una prótesis es un aparato externo usado para reemplazar total o parcialmente un segmento de un miembro deficiente o ausente. El término Protésica (Prosthetics) deriva del prefijo griego Pros, que indica “añadir a” del prefijo Thenai que significa “colocar, aplicar” y de la terminación Tics que indica el campo de actividad de la raíz de la palabra.
ISO 9001: Sistemas de Gestión de la Calidad
ISO 9001 es una norma de sistemas de gestión de la calidad (SGC) reconocida internacionalmente. La norma ISO 9001 es un referente mundial en SGC, superando el millón de certificados en todo el mundo.
La norma ISO 9001 de sistemas de gestión de la calidad proporciona la infraestructura, procedimientos, procesos y recursos necesarios para ayudar a las organizaciones a controlar y mejorar su rendimiento y conducirles hacia la eficiencia, servicio al cliente y excelencia en el producto. La certificación ISO 9001 SGC le ayuda a transmitir:
- Compromiso a sus accionistas
- Reputación de su organización
- Satisfacción de cliente
- Ventaja competitiva
Entre las características principales podemos encontrar:
- El estándar revisado ISO 9001 2015 que incorpora la nueva Estructura de Alto Nivel, siendo una disposición genérica que puede ser utilizada en todos los sistemas ISO, con los mismos términos y definiciones que se encuentran incluidos en otros estándares de gestión. Esto hace que su adopción sea mucho más eficaz, barata y rápida, ya que conformará el futuro núcleo de todo ellos.
- Enfoque basado en riesgos, lo que genera que en un futuro las empresas tengan que utilizar herramientas y prácticas de gestión de riesgos, de cara al desarrollo de mecanismos y acciones de mejora dentro del Sistema de Gestión de Calidad.
- Enfoque orientado a los procesos, lo que genera una mejor definición de los mismos y de todos los elementos que se encuentran relacionados.
- Menor necesidad de procedimientos documentados, con la intención de hacer el sistema de gestión mucho más flexible y trazable.
ISO 13485: Gestión de la Calidad de Equipos Médicos
El principal objetivo de la norma es establecer un conjunto de requisitos regulatorios armonizados para los sistemas de gestión de la calidad dentro del sector de los productos sanitarios, así como capacitar a las organizaciones a proporcionar dispositivos médicos seguros y efectivos, así como cumplir con las expectativas del cliente y los requisitos de las autoridades reguladoras.
La norma ISO 13485 de Equipos Médicos se aplica únicamente a fabricantes de dispositivos médicos y servicios relacionados, independientemente de su tamaño y ubicación. La certificación en la norma ISO 13485 de Equipos Médicos proporciona a las organizaciones:
- Implicación de los accionistas
- Incremento de la reputación
- Satisfacción del cliente
- Ventaja competitiva
ISO 13485 contiene requisitos que proporcionan claros beneficios para la adecuada gestión de las organizaciones que proveen de productos y servicios sanitarios:
- Exhaustivo control de la producción, desde la fase de diseño hasta la fabricación incluyendo etapas tan delicadas como la esterilización, el envasado o el almacenamiento del producto sanitario.
- Gestión del riesgo del producto sanitario a través de todo su ciclo de vida, enfatizando los riesgos asociados con la seguridad y el desarrollo de los productos sanitarios.
- Optimización de la gestión de la cadena de proveedores y un control estricto sobre los servicios subcontratados.
- Gestión de los datos clínicos como parte fundamental del diseño del producto.
- Sistema de vigilancia del producto sanitario una vez puesto en el mercado.
- Clara orientación a resultados para demostrar que el sistema de gestión de la calidad es eficaz y eficiente
Se trata de una norma aplicable a organizaciones que suministran productos sanitarios, y servicios relacionados que cumplan regularmente los requisitos del cliente y los reglamentarios aplicables, sea cual fuere el tipo o tamaño de la organización.
Ejemplos de Acciones Prácticas a Implementar
- Asignar un número de lote único al producto terminado, con el fin de asegurar la trazabilidad del mismo, a lo largo de todas las etapas de producción, de cara a detectar más fácilmente, las causas de un posible efecto adverso.
- Diseñar las instalaciones de forma que el acceso a los lavabos y vestuarios esté accesible pero separado de la zona de producción.
- Proporcionar formación en materia de higiene y buenas prácticas, al personal de producción, con el fin de evitar problemas de contaminación. También se pueden colgar carteles recordatorios por la planta, que recuerden dichas recomendaciones.
- Guardar muestras de cada lote de producto fabricado en una sala reservada para las contra-muestras, incluyendo materiales de acondicionamiento primario y secundario, así como instrucciones de uso.
- Revisar el etiquetado de los productos importados de fuera de la Unión Europea, con el fin de comprobar que cumplan la legislación vigente.
- Notificar los efectos adversos detectados a las autoridades sanitarias nacionales e implantar planes de acción preventivos y/o correctivos según el caso.
- Gestionar los riesgos que pueda provocar el producto a la seguridad del paciente/usuario, siguiendo la metodología sugerida por ISO 14971.
- Implementar un plan de limpieza validado de las maquinarias e instalaciones de producción, de forma que se evite la contaminación cruzada.
- Realizar el control, seguimiento y registro de las condiciones ambientales (temperatura, humedad y presión), que puedan afectar a la calidad del producto sanitario fabricado.
Ventajas para la organización
- Cumplimiento de todos los requisitos reglamentarios aplicables a productos sanitarios y los servicios relacionados.
- Implementar un sistema de gestión, que proporcione productos sanitarios más seguros y efectivos.
- Implementar una sistemática para llevar a cabo una adecuada gestión de riesgos de los productos sanitarios comercializados.
- Fidelización del cliente, por el cumplimiento de los requisitos del mismo.
- Control total de la producción y destino final de los productos.
- Reconocimiento formal y público de la gestión de calidad de la organización.
- Acceso a nuevos mercados nacionales e internacionales.
Ventajas para el mercado
- Confianza en las organizaciones que comercializan productos y/o servicios sanitarios.
- Mayor seguridad del usuario
- Mayor competitividad en el sector, que promoverá una mayor calidad de los productos sanitarios comercializados.
Sectores de aplicación
La certificación conforme a esta norma es aplicable a todas las organizaciones de cualquier sector que intervengan durante la vida útil de un producto sanitario en las actividades de diseño, fabricación, envasado, embalaje, redacción y/o traducción de manuales de instrucción, publicidad, venta, distribución, formación para el uso, e instalación o mantenimiento, sea cual fuere el tipo o tamaño de la organización.
ISO 14001: Sistemas de Gestión Ambiental
La norma ISO 14001 es la norma internacional de sistemas de gestión ambiental (SGA), que ayuda a su organización a identificar, priorizar y gestionar los riesgos ambientales, como parte de sus prácticas de negocios habituales.
Principales requisitos
La norma ISO 14001 exige a la empresa crear un plan de manejo ambiental que incluya: objetivos y metas ambientales, políticas y procedimientos para lograr esas metas, responsabilidades definidas, actividades de capacitación del personal, documentación y un sistema para controlar cualquier cambio y avance realizado. La norma ISO 14001 describe el proceso que debe seguir la empresa y le exige respetar las leyes ambientales nacionales. Sin embargo, no establece metas de desempeño específicas de productividad.
La certificación ISO 14001 ofrece una gama de beneficios para su organización:
- Reducir los costes: como la norma ISO 14001 requiere un compromiso con la mejora continua del SGA, el establecimiento de objetivos de mejora ayuda a la organización a un uso más eficiente de las materias primas, ayudando así a reducir los costes
- Gestión del cumplimiento de la legislación: la certificación ISO 14001 puede ayudar a reducir el esfuerzo necesario para gestionar el cumplimiento legal y a la gestión de sus riesgos ambientales
- Reducir la duplicación de esfuerzos: su sistema de gestión permite integrar los requisitos de ésta y otras normas de gestión en un único sistema de negocio para reducir la duplicación de esfuerzos y los costes
- Gestionar su reputación: la certificación ISO 14001 le ayuda a reducir los riesgos asociados a cualquier coste o daño a su reputación asociada a sanciones, y construye su imagen pública hacia sus clientes, organismos reguladores y principales partes interesadas
- Ser el proveedor elegido y aumentar su ventaja competitiva: le permite trabajar con las empresas que valoran las organizaciones que son respetuosas con el medio ambiente
- Facilidad de integración con otras normas de sistemas de gestión con la norma ISO 9001(Calidad), OHSAS 18001 (Seguridad y Salud laboral), ISO 50001 (Energía), y otras normas basadas en sistemas de gestión
Características condición del producto
El producto esta compuesto por un modelado realizado con inyectora de plástico de las características antropometricas de una mano, con los circuitos correspondientes para su correcto funcionamiento.
No seran caracteristicas de producto: Mal funcionamiento de movilidad, Rotura de partes, Falta de componentes, Packaging dañado.
Plan de ensayos
Acondicionamiento del producto
En el interior del empaque estará la mano protegida con bolsas de aire para permitir el traslado sin afectar la integridad y el correcto funcionamiento de la mano. Estas bolsas de aire rellenan los espacios libres dentro de la caja impidiendo el desplazamiento de la mano. Estas mismas también protegen a la mano contra los elementos.
Packaging
El producto será entregado nuestros clientes en una caja de cartón de material Kraft Doble Triple de formato aletas cruzadas. Las medidas de la misma serán de 500x300x300 mm. Esta contara en su parte frontal con una etiqueta con el nombre y logo de la empresa y una imagen del producto. En la parte posterior contara con especificaciones técnicas. Dentro del mismo contara con el manual correspondiente al producto. Por ultimo en la parte superior estará la etiqueta con la identificación y los datos del futuro usuario de la mano.
[Imagen caja prototipo ]
Definición del proceso de producción
Diagrama de Flujo de Fabricacion y Control
Cursograma analítico del Proceso
Operaciones
Cursogramas Sinópticos del Proceso
Listados de Medios de Fabricación y Control
Descripción de cada etapa del proceso productivo
Determinación de las Máquinas e Instalaciones
Especificaciones técnicas de las máquinas
Inyectora HDX 388
Máquina inyectora de plástico de 388 toneladas de fuerza, con una capacidad de inyección entre 1131 grs. y 1477 grs. según el diámetro de husillo seleccionado. Posee pantalla LCD color de 8" para el control de todos los movimientos, presiones y velocidades.
[IMAGEN INYECTORA]
[IMAGEN ESPECIFICACIONES]
http://www.fabrohnos.com.ar/productos.php?cat_id=1&sub_id=2&prod_id=34
Generador Plaquetas para colocar circuitos en CNC "The Othermill"
[IMAGEN]
[IMAGEN ESPECIFICACIONES] https://www.kickstarter.com/projects/otherfab/the-othermill-custom-circuits-at-your-fingertips
Soldadora Gamma 3466 G Turbo 220
La 3466G Turbo 220 es una soldadora para electrodo revestido del tipo monofásica y posee una fuente compacta diseñada para la unión de dos partes metálicas utilizando el calor generado por un arco eléctrico. La alimentación del arco es realizada con corriente alterna generada por la máquina. https://www.fravega.com/soldadora-gamma-3466g-turbo-220-310083/p
[imagen]
[imagen especificaciones]
Sistemas de mantenimiento
Se plantea un sistema de mantenimiento preventivo de todas las máquinas, ya que independientemente de su costo, la falla de cualquiera de ellas puede frenar la producción
considerándose falla crítica.
Como información de entrada del plan de mantenimiento se utilizarán instrucciones genéricas (siendo éstas la experiencia del operario y, en caso de ser una máquina común, las instrucciones de
mantenimiento generales para ese tipo de máquina) y del fabricante en principio, para luego también generar una base histórica de problemas del equipo con las fallas que vayan apareciendo.
El plan de mantenimiento constará de controles y monitorizacion periódica de lubricantes,temperatura, vibraciones, ruidos e inspección visual; dependiendo el caso que aplique.
[cuadro mantenimientos a realizarse con que periodicidad a las distintas maquinas]
Consumo de energía, agua y otros servicios
Determinación de la Evolución de las Mercaderías
Tiempos de entrega y envío de mercaderías
Tamaños y frecuencias de compras
Determinación del Personal
Organigrama de toda la empresa
Descripción de los puestos de trabajo
Calificación y Formación necesaria de los Operadores.
Listado de Equipos auxiliares, muebles y útiles
Anteproyecto de Planta
Plano de la Planta mostrando la distribución de las distintas áreas
Plano mostrando el recorrido de los materiales


